HOME
COMPANY PROFIlE
PRODUCTS
Valves
Fittings
OEM Parts
FACTORY
CERTIFICATES
CONTACT
nav
HOME
COMPANY PROFIlE
PRODUCTS
Valves
Fittings
OEM Parts
FACTORY
CERTIFICATES
CONTACT
YOU ARE HERE:
HOME
> Ball Valve
PRODUCTS
Valves
Ball Valve
Check Valve
Gate Valve
Globe Valve
Strainer
Fittings
Screwed Fittings
Press Fitting
Butt-weld Fittings
Sanitary Fitting
Quick Coupling
Compression Fitting
Tank Fitting
OEM Parts
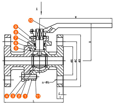
2PC FLANGED BALL VALVE(DIN)
FEATURES:
PN16-PN40
Full Port
Investment Casting
Blow-out Proof Stem
PED97/23/EC Approved
Casting Approved AD2000-W0
Design:EN12516
Flange Standard:DIN2542-DIN2545
Inspection Testing:DIN3230,EN12266
Copyright ©2018-2026 Cangzhou Start Stainless Steel Valve Co., Ltd.
Close
关闭